Model Number
-
1
JBS55DM6BB
-
2
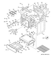
Choose the diagram of the component your part is located in:
-
3
Loading parts of sections