Model Number
-
1
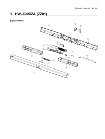
HW-J355-ZA-ZZ01
-
2
Choose the diagram of the component your part is located in:
-
3
Loading parts of sections