Model Number
-
1
R-1 (BOM: P7107901M)
-
2
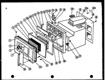
Choose the diagram of the component your part is located in:
-
3
Loading parts of sections